SP-AZ3202 Ionizing Air Snake

Features
1, Exquisite appearance, simple structure, easy to move and install.
2,Metal ring switch with flash light enables user to monitor working status of the product.
3, HV alarm by beeping and LED.
4, Inductive current with high safety performance.
5, Fast discharge speed, low ion balance and high safety performance.
6, Optional photoelectric inductive switch to control airflow instead of manual operation.
7, All in one design saves space.
8, Change the air outlet freely according to the size of the product
◆ Industry Applications
Precision electronic, medicine and semi-conductor industries
◆ Working Ways(AC)

◆ Specification:

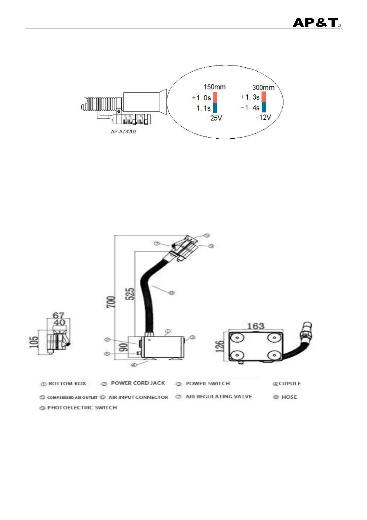
◆ Elimination Effect

Testing instrument:3M-711 Static tester
Testing standard:ESD.STM3.1-2000;SJ/T 11446—2013
Testing voltage:±1000 — ±100V Attenuation
Testing environment:Humidity 50±5% Temperature:23±3℃ Air pressure: 0.5MPa
◆ Outline dimensional drawing